Breaking news and analysis on politics, business, world national news, entertainment and more.
45+ Reduccion De Circuitos Serie Paralelo Pics
15/04/2020 00:00
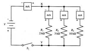
45+ Reduccion De Circuitos Serie Paralelo Pics. Un circuito mixto es un circuito eléctrico que tiene una combinación de elementos tanto en serie como en paralelos. En este vídeo vamos a aprender como reducir circuitos resistivos en serie, en paralelo y mixto.
circuitos serie ,paralelo y mixto from image.slidesharecdn.com
En este curso de circuitos eléctricos nos concentraremos en que el estudiante entienda claramente cómo funcionan los circuitos manteniendo el modelo simple con. En la siguiente imagen podemos. En esta sección vemos los elementos básicos usados para construir circuitos, y averiguamos qué pasa cuando los elementos se conectan en un circuito.
En esta sección vemos los elementos básicos usados para construir circuitos, y averiguamos qué pasa cuando los elementos se conectan en un circuito.
23 en serie, se suma la tensión de todos los generadores. Circuitos serie paralelo y mixto. Tres tipos de circuitos eléctricos. Explicación y cálculo para obtener el condensador equivalente de condensadores en serie y paralelo.