Breaking news and analysis on politics, business, world national news, entertainment and more.
View Ejemplos De Circuitos En Serie Con Resistencias Images
25/05/2020 00:00
View Ejemplos De Circuitos En Serie Con Resistencias Images. Ejemplos de circuitos en serie con resistencias en. Un circuito en serie es una configuración de conexión en la que los bornes o terminales de los dispositivos (generadores, resistencias, condensadores, inductores, interruptores, entre otros) se conectan sucesivamente, es decir.
EJERCICIO DE CIRCUITOS EN PARALELO - Resistencias en ... from i.ytimg.com
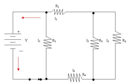
Al contrario de lo que sucede en los circuitos con resistencias en serie, en un circuito paralelo la tensión a la que queda sometida todas las. Un ejemplo de los circuitos en serie son sin duda las luces de los arbolitos de navidad, en los cuales podemos observar las luces parpadeantes, todas conectadas a una misma fuente de en cambio para las resistencias la expresión más común que se utiliza es la de rt que vemos a continuación Embora esse tipo de circuito nos pareça desta forma, a nova configuração do circuito fica com apenas dois resistores em série (rp e r3), que quando encontrada a resistência equivalente, podemos encontrar também o valor da corrente.
Fuerza electromotriz y circuitos eléctricos , el potenciómetro.
Embora esse tipo de circuito nos pareça desta forma, a nova configuração do circuito fica com apenas dois resistores em série (rp e r3), que quando encontrada a resistência equivalente, podemos encontrar também o valor da corrente. Si r1 = 10 ohmios, r2 = 15 ohmios y r3 = 10 ohmios, entonces rts = 10 + 15 + 10 = 35 ohmios. Dos ejemplos de circuitos serie: Con estos sencillos ejemplos, queda claro que los métodos de cálculo varían de acuerdo al tipo de circuito.